Τα δάκρυα στο μικροσκόπιο: Δεν φαντάζεστε πώς είναι το υγρό που τρέχει από τα μάτια μας [εικόνες] - iefimerida.gr

Τα δάκρυα στο μικροσκόπιο: Δεν φαντάζεστε πώς είναι το υγρό που τρέχει από τα μάτια μας [εικόνες]

NEWSROOM IEFIMERIDA.GR

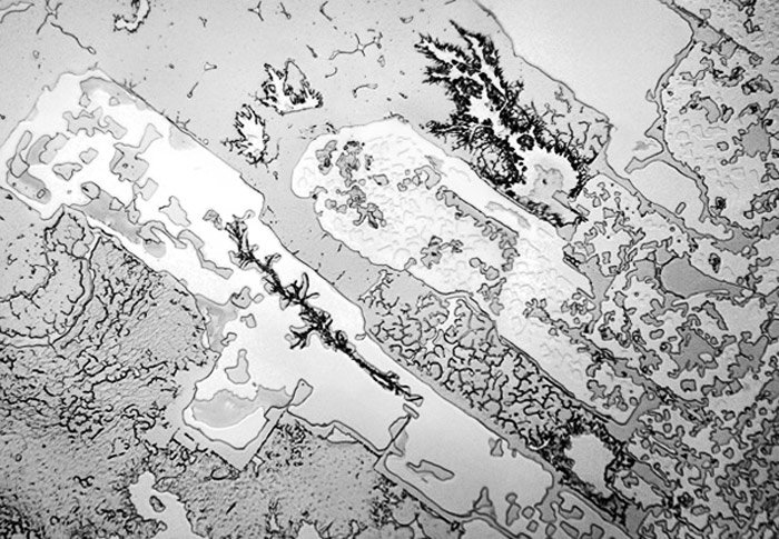
Πόσο διαφέρουν τα δάκρυα της χαράς από της λύπης ή του γέλιου; Η Τοπογραφία των Δακρύων είναι ουσιαστικά η μελέτη 100 δακρύων, φωτογραφημένων μέσω ενός μικροσκόπιου.

Η φωτογράφος Rose-Lynn Fisher έβαλε 100 δείγματα στεγνωμένων δακρύων κάτω από ένα απλό μικροσκόπιο και ανακάλυψε κάτι πολύ σημαντικό: ανάλογα με την αιτία που τα προκαλεί, τα δάκρυα διαφέρουν μεταξύ τους στη μοριακή τους δομή.

Οι τυχαίες συνθέσεις των μεγεθυμένων δακρύων μοιάζουν συχνά με εναέρια θέα στιγμιαίων τοπίων, με προσωρινά μοναδικά αποτυπώματα, με σουρεάλ πίνακες ή σαν εφήμεροι άτλαντες.

Τα δάκρυα στο μικροσκόπιο: Δεν φαντάζεστε πώς είναι το υγρό που τρέχει από τα μάτια μας [εικόνες] | iefimerida.gr 0
Τα δάκρυα στο μικροσκόπιο: Δεν φαντάζεστε πώς είναι το υγρό που τρέχει από τα μάτια μας [εικόνες] | iefimerida.gr 1
Τα δάκρυα στο μικροσκόπιο: Δεν φαντάζεστε πώς είναι το υγρό που τρέχει από τα μάτια μας [εικόνες] | iefimerida.gr 2
Τα δάκρυα στο μικροσκόπιο: Δεν φαντάζεστε πώς είναι το υγρό που τρέχει από τα μάτια μας [εικόνες] | iefimerida.gr 3
Τα δάκρυα στο μικροσκόπιο: Δεν φαντάζεστε πώς είναι το υγρό που τρέχει από τα μάτια μας [εικόνες] | iefimerida.gr 4
Τα δάκρυα στο μικροσκόπιο: Δεν φαντάζεστε πώς είναι το υγρό που τρέχει από τα μάτια μας [εικόνες] | iefimerida.gr 5

Πηγή: doctv

Ακολουθήστε το στο Google News και μάθετε πρώτοι όλες τις ειδήσεις
Δείτε όλες τις τελευταίες Ειδήσεις από την Ελλάδα και τον Κόσμο, στο 
ΔΙΑΒΑΣΤΕ ΠΕΡΙΣΣΟΤΕΡΑ φωτογράφος δάκρυα Rose Lynn Fisher
ΣΧΟΛΙΑΣΜΟΣ
Tο iefimerida.gr δημοσιεύει άμεσα κάθε σχόλιο. Ωστόσο δεν υιοθετούμε τις απόψεις αυτές καθώς εκφράζουν αποκλειστικά τον εκάστοτε σχολιαστή. Σχόλια με ύβρεις διαγράφονται χωρίς προειδοποίηση. Χρήστες που δεν τηρούν τους όρους χρήσης αποκλείονται.

ΔΕΙΤΕ ΕΠΙΣΗΣ

ΠΕΡΙΣΣΟΤΕΡΑ